型智能回路电阻测试仪大电流
型智能回路电阻测试仪大电流:采用最新开关电源技术,能长时间连续输出大电流,克服了脉冲式电源瞬间电流的弊端,可以有效的击穿开关触头氧化膜,得到良好的测试结果。
高稳定性:在严重干扰条件下,液晶屏最后一位数据能稳定在±1个字范围内,读数稳定,重复性好。
高精度:采用双路高速16位Σ-Δ AD采样,最新数字信号处理技术,最高分辨力达到0.01μΩ,是目前国内唯一能达到0.01μΩ分辨力且十分稳定的接触电阻测试仪,性能超过了进口大电流微欧计。
智能化:使用进口高性能CPU,测量时系统根据信号大小自动切换量程,确保了该产品的测试准确度。过温保护电路能够在仪器超过设定温度时自动停止输出电流,确保仪器的安全使用。
高品质:关键部件全部采用进口元件,通过巧妙设计的温度补偿电路有效的消除环境温度对测量结果的影响,军品接插件的使用增强了抗振性能。
功能强大:电流可在50A,100A中自由选择,测试时间可在5s~599s内任意设定,克服了其他同类仪器无法设定测量时间或连续工作时间过短的缺陷,远远超过了其他同类仪器的性能。
人机界面友好:通过旋转鼠标输入数据,方便快捷,可以自主设置仪器日期、时间,实时保存测量数据,即时打印测量结果。
多种通信方式:能够通过RS232串口(9针)或USB数据线与计算机通信,将测量数据上传至计算机,供试验人员进一步分析处理。
(9)使用方便:体积小、重量轻,便于携带。
![]()
变比组别测量仪简称变比测试仪
是电力行业中用于检测变压器关键参数的专用仪器。它主要用于测量变压器的电压比(变比)、联结组别(相位关系)以及极性,是变压器出厂试验、交接试验和预防性试验中的核心设备。
以下是关于该仪器的详细介绍:
1. 主要功能
测量电压比:精确测量变压器高压侧与低压侧(或中压侧)的电压比值,判断是否符合设计值及国家标准(通常误差要求在±0.5%以内)。
判定联结组别:自动识别并显示变压器的联结组标号(如 Yyn0, Dyn11, YNd11 等),验证绕组接线是否正确。
极性检查:判断单相或三相变压器的极性(减极性或加极性)。
其他参数:现代高端仪器还能测量匝数、相位角、不平衡率,部分型号甚至能同时测量直流电阻。
故障诊断:通过变比数据的异常(如某相变比偏差大),可辅助判断变压器内部是否存在匝间短路、分接开关接触不良或绕组断线等故障。
2. 工作原理
传统的变比电桥采用平衡原理,而现代数字式变比组别测量仪主要采用三相精密逆变电源和高速采样处理技术:
信号注入:仪器内部产生高精度的三相正弦波电压(或单相电压),直接施加到变压器的高压侧(或低压侧)。
同步采样:同时采集高压侧和低压侧的电压信号。
算法处理:利用DSP(数字信号处理器)对采集的波形进行傅里叶变换(FFT)或其他数字滤波算法,滤除干扰,精确计算出幅值比和相位差。
自动判定:根据计算出的相位差角度,自动匹配并显示对应的联结组别。
3. 主要特点(相比传统电桥)
自动化程度高:一键操作,自动完成测量、计算、组别判定,无需人工调节平衡。
测量范围广:变比测量范围宽(例如 0.8 ~ 10000 甚至更高),且在整个范围内保持高精度。
抗干扰能力强:能在现场复杂的电磁环境下稳定工作。
安全性好:具有反接保护、短路保护、过压保护等功能;部分仪器支持高低压反接测量(即从低压侧加压测高压侧),方便现场测试。
数据存储与传输:内置存储器,可保存大量测试数据,并支持通过USB或蓝牙上传至电脑生成报告。
适用性强:不仅适用于普通电力变压器,还适用于Z型接线变压器、移相变压器、电抗器甚至电压互感器(PT)的变比测试。
4. 典型技术参数
变比测量范围:0.8 ~ 10000(不同型号有所差异)。
变比精度:通常为 ±0.1% 或 ±0.2%。
组别判定:自动识别 0~11 点所有组别。
输出电压:三相 0~400V 可调(自动适应)。
测量速度:单相<5秒,三相<15秒(含所有分接位置)。
分接开关测试:支持有载/无载分接开关的多档位连续测试(如9档、17档、27档等)。
5. 操作流程简述
接线:
将仪器的黄、绿、红(A/B/C)测试线分别接到变压器的高压侧端子。
将对应的黄、绿、红(a/b/c)测试线接到低压侧端子。
务必接好地线。
设置参数:在仪器屏幕上输入被测变压器的铭牌参数(如额定电压、预期联结组别、分接档位数量等)。
开始测试:按下“测试”键,仪器自动升压、采样、计算。
读取结果:屏幕显示各档位的变比误差、联结组别、极性等信息。若数据合格,仪器通常显示“合格”或绿色标识;若不合格,会报警提示。
放电与拆线:测试结束后,仪器自动放电,确认无电压后拆除测试线。
6. 应用场景
变压器制造厂:成品出厂前的例行试验,确保产品符合设计规范。
电力安装公司:新变压器投运前的交接试验,验证运输和安装过程中未造成损坏,接线正确。
供电局/运维单位:运行中变压器的预防性试验,监测绕组状态,及时发现匝间短路隐患。
检修现场:变压器吊罩检修或有载分接开关检修后的验证测试。
7. 注意事项
接线对应:高压侧和低压侧的相序(A-a, B-b, C-c)必须严格对应,否则会导致组别判断错误或测量失败。
分接位置:测试前需确认变压器分接开关的位置,并在仪器中设置相应的档位,特别是进行多档位测试时。
外部连线:测试时应断开变压器与电网的所有连接,确保被测变压器处于孤立状态。
感应电压:对于大型变压器,测试结束后可能存在残余电荷,需等待仪器自动放电完毕后再接触端子。
总结
变比组别测量仪是保障变压器安全运行的“听诊器”。它能快速、准确地揭示变压器绕组的匝数关系和连接逻辑,是发现匝间短路、接线错误等隐蔽缺陷的最有效手段之一。随着技术发展,现代仪器正朝着多功能集成(如变比+直阻一体机)、无线化和智能化诊断方向演进。
![]()
测试仪也叫变压器铜铁损测试仪
根据国标GB1094《电力变压器》、GB/T6451-1999《三相油浸式电力变压器技术参数和要求》,变压器容量及空载负载特性测试仪能够测试电压等级为6、10、35kV,容量测试范围从30 kVA到40000kVA的各种型号和规格的油浸式变压器、干式变压器和特种变压器的容量、空载损耗、负载损耗。在测试空载损耗和负载损耗时无需外接电源和调压器即可直接测试。对于不同连接组别的变压器(Y/yn0 或D/yn11)也可以识别测试。即使变压器处于不同的分接位置,也不用调节分接开关,只用在仪器上选择即可。
变压器容量及空载负载特性测试仪也叫变压器铜铁损测试仪,它采用低电压、小电流测试法,增强了测试工作的安全。同时内置电源又能提供较大的输出功率,保证了测试数据的准确,也为大容量变压器的测试提供可靠的信号。
变压器容量及空载负载特性测试仪除了测试变压器容量、负载特性试验、空载特性试验,同时还能满足电压、电流、功率、频率、短路阻抗等有关变压器参数的测量。仪器体积小、重量轻、接线简单、操作便捷、测量准确、稳定性好、简便易学,是用电检查部门不可或缺的设备。
变压器容量特性测试仪:高效检测与评估的关键工具
变压器是电力系统中不可或缺的组成部分,用于电压转换,以适应不同用电需求。变压器容量特性测试仪是一种专门用于测量和评估变压器性能的专业设备。这种测试仪能够提供精确的测量数据,帮助电力工程师和维护人员更好地了解变压器的工作状态,确保电力系统的稳定运行。
工作原理
变压器容量特性测试仪的工作原理主要涉及对变压器的各种损耗进行测量,包括磁滞损耗和涡流损耗。这些损耗与变压器的效率紧密相关,通常功率越大,损耗与输出功率的比例越小,效率也就越高。测试仪通过测量这些损耗和其他特性参数,可以评估变压器的实际容量和性能。
主要功能
变压器容量特性测试仪的功能包括但不限于:
容量测量:通过一些必要的数据来确定变压器的实际容量。
空载电流测量:测量变压器空载时的电流。
空载损耗测量:测量变压器空载时的功率损耗。
短路电压测量:测量变压器短路时的电压。
短路损耗测量:测量变压器短路时的功率损耗。
零序阻抗测量:测量变压器的零序阻抗。
波形畸变校正:自动进行波形畸变校正。
温度校正:根据环境温度自动校正测量结果。
电压校正:在非额定电压下的空载试验时进行电压校正。
电流校正:进行电流校正。
特点
精确测量:能够精确测量各种配电变压器的容量及其他特性参数。
无源测量:无需外部电源即可进行测量。
自动化程度高:能够自动进行多种校正,简化操作流程。
便携式设计:体积小、重量轻,便于携带和现场使用。
易于操作:界面友好,操作简便。
使用方法
连接设备:按照测试仪说明书正确连接变压器的各个端子。
设置参数:根据需要测量的特性设置相应的参数。
开始测试:启动测试仪,按照提示进行操作。
读取数据:从测试仪的显示屏上读取测试结果。
数据分析:根据测试结果分析变压器的性能。
应用场景
电力系统维护:定期对电力系统中的变压器进行性能评估,确保其正常运行。
故障诊断:当变压器出现异常时,通过测试仪快速定位问题所在。
质量检验:在变压器生产过程中,用于质量控制和性能验证。
科学研究:在变压器研发过程中,用于评估新型材料或设计的有效性。
结论
变压器容量特性测试仪作为一种高效、精确的测试工具,在电力工程领域发挥着重要作用。它不仅能够帮助维护人员及时发现和解决问题,还能够提高电力系统的整体可靠性和安全性。随着技术的不断进步,未来的变压器容量特性测试仪将更加智能化、便携化,为电力行业的运维工作带来更多便利。
![]()
超声波局部放电巡检定位仪:电力设备维护的新工具
电力系统的安全稳定运行对于现代社会至关重要。局部放电(Partial Discharge, PD)是电力设备绝缘老化和损坏的一个重要标志,它可能导致严重的电力故障。超声波局部放电巡检定位仪作为一种先进的检测工具,能够在不停电的情况下对电力设备进行巡检和定位,及时发现潜在的局部放电问题,从而有效预防故障的发生。
产品概述
超声波局部放电巡检定位仪是一种利用超声波信号来检测电力设备内部局部放电现象的便携式设备。它可以用于高压电缆头、绝缘子、变电站开放设备、干式变压器、主变套管等电力设备的局部放电检测与定位。
工作原理
超声波信号:超声波是指频率高于20kHz的声音波,人耳无法听到。局部放电会产生高频声波,其中包含超声波成分。
信号捕捉:超声波局部放电巡检定位仪通过高灵敏度的传感器捕捉这些超声波信号。
信号处理:设备内部的信号处理器对捕捉到的超声波信号进行分析处理,以确定是否存在局部放电现象。
定位功能:通过移动设备并监听信号强度的变化,可以确定局部放电的大概位置。
主要特点
非侵入式检测:无需停电或拆卸设备,可在设备正常运行时进行检测。
高灵敏度:能够捕捉到微弱的超声波信号,提高检测精度。
直观显示:设备通常配备有LCD显示屏和耳机输出,可以直接显示波形或播放超声波信号的声音。
定位准确:通过信号强度的变化来定位局部放电的来源,辅助维护人员快速找到问题所在。
易于操作:手持式的巡检定位仪便于携带和操作,适合现场巡检使用。
使用方法
佩戴耳机:佩戴好耳机,以便更好地监听超声波信号。
打开电源:开启设备电源,手指扣住板机,激光对准检测对象。
听音辨位:听是否有嘟嘟声或观察显示器上的波形变化,判断是否有局部放电。
制定扫描周期:根据设备的状态制定合适的监测周期,一般情况下每月进行一次全面扫描,对于有异常迹象的设备增加扫描频率。
应用案例
高压电缆头检测:对高压电缆头进行扫描,检查是否有放电现象。
绝缘子检测:对绝缘子进行扫描,确认是否有局部放电。
变电站开放设备检测:对变电站开放设备进行扫描,发现是否有电晕放电。
干式变压器检测:对干式变压器进行扫描,发现线圈是否有放电。
主变套管检测:对主变套管进行扫描,发现主变是否有电晕放电。
主变整体检测:对主变整体进行扫描,发现是否有振动异常。
技术发展趋势
智能化:集成人工智能技术,提高分析精度和效率。
多功能集成:除了基本的局部放电检测外,可能集成其他检测功能。
远程监控:支持无线传输,实现远程监控和数据分析。
结论
超声波局部放电巡检定位仪作为一种有效的检测工具,对于电力系统的维护和故障预防发挥着重要作用。随着技术的不断发展,未来的超声波局部放电巡检定位仪将更加智能、高效,为电力系统的安全运行提供更强有力的支持。
希望这篇关于超声波局部放电巡检定位仪的文章概述能为您提供有价值的参考。如果您需要更详细的信息或有特定的技术问题,请随时告知。
![]()
直流高压发生器使用方法
如做容性负载试验时,一定要接上限流电阻。
1.试验器在使用前应检查其完好性,联接电缆不应有断路和短路,设备无破裂等损坏。
2.将机箱、倍压筒放置到合适位置分别联接好电源线、电缆线和接地线,保护接地线与工作接地线以及放电棒的接地线均应单独接到试品的地线上(即一点接地)。严禁各接地线相互串联。为此,应使用DHV专用接地线。
3.电源开关放在关断位置并检查调压电位器应在零位。过电压保护整定值一般为试验电压的1.1倍。
4.空载升压验证过电压保护整定是否灵敏。
5.接通电源开关,此时红灯亮,表示电源接通。
6.按绿色按钮,则绿灯亮,表示高压接通。
7.顺时针方向平缓调节调压电位器,输出端即从零开始升压,升至所需电压后,按规定时间记录电流表读数,并检查控制箱及高压输出线有无异常现象及声响。
8.降压,将调压电位器回零后,随即按红色按钮,切断高压并关闭电源开关。
9.对试品进行泄漏及直流耐压试验。在进行检查试验确认试验器无异常情况后,即可开始进行试品的泄漏及直流耐压试验。将试品、地线等联接好,检查无误后即打开电源。
10.升压至所需电压或电流。升压速度以每秒3—5kV试验电压为宜。对于大电容试品升压时还需监视电流表充电电流不超过试验器的大充电电流。对小电容试品如氧化锌避雷器、磁吹避雷器等先升至所需电压(电流)的95%,再缓慢仔细升至所需的电压(电流)。然后从数显表上读出电压(电流)值。如需对氧化锌避雷器进行0.75UDC—1mA测量时,先升至UDC1mA电压值,然后按下黄色按钮,此时电压即降至原来的75%,并保持此状态。此时可读取电流。测量完毕后,调压电位器逆时针回到零,按下绿色按钮。需再次升压时按红色按钮即可。
必要时用外接高压分压器比对控制箱上的电压。
11.试验完毕,降压,关闭电源。
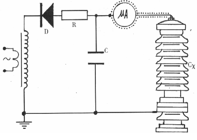
12.几种测量方法
1)一般测量时,当接好线后,先把联接试品的线悬空,升到试验电压后读取空试时的电晕和杂散电流I,然后接上试品升到试验电压读取总电流Ⅰ1;试品泄漏电流:Io =Ⅰ1—I’
2)当需要测量被试品泄漏电流时,则应在高压侧串入高压微安表(见下图)
微安表必须有金属屏蔽,应采用屏蔽线与试品联接。高压引线的屏蔽引出应与仪表端的屏蔽紧密联接。如果试品表面污秽要排除试品表面泄漏电流的影响可在试品高电位端用裸金属软线紧密绕几圈后与高压引线的屏蔽相联接(见下图)。